公司产品PRODUCT
联系我们Contact us

淄博颜峰真空电泵有限公司
地址:山东省淄博市博山区城东工业园
联系人:孙经理 13505334308
电话:0533-4203271
传真:0533-4203271
E-mail:yf13505334308@126.com
邮编:255200
SY/2SY系列高压液环压缩机
- 产品概述
- 公司介绍
- 联系我们
- 资料下载
2SY系列水环压缩机被用来抽吸空气和其它无腐蚀性、不溶于水、不含有固体颗粒的气体。广泛应用于石油、化工、医药等行业的气体压缩输送、尾气回收等。具有压力高,结构紧凑,使用可靠,操作方便以及高压区抽速大等特点。由于在压缩过程中是在等温状态下进行的,因此在压缩易燃、易爆气体时,不易发生危险,所以其应用更加广泛。
技术规格
项目型号 |
抽气量 (米3/分) |
极限压力 (MPa) |
电机功率 (千瓦) |
泵转速 (转/分) |
供水量 (L/min) |
口径 | ||
最大 |
压力为0.55 MPa时的气量 |
进 | 出 | |||||
2SY-6 | 6 | 4.5 | 0.6 | 55 | 2870 | 100~120 | 80 | 80 |
2SY-9 | 9 | 7 | 0.6 | 90 | 1450 | 130~150 | 100 | 100 |
2SY-12 | 12 | 9.5 | 0.6 | 110 | 1450 | 160~180 | 100 | 100 |
2SY-15 | 15 | 12 | 0.6 | 160 | 1450 | 180~200 | 125 | 125 |
2SY-20 | 20 | 16 | 0.6 | 185 | 980 | 200~220 | 150 | 150 |
2SY-30 | 30 | 24 | 0.6 | 250 | 980 | 220~250 | 200 | 200 |

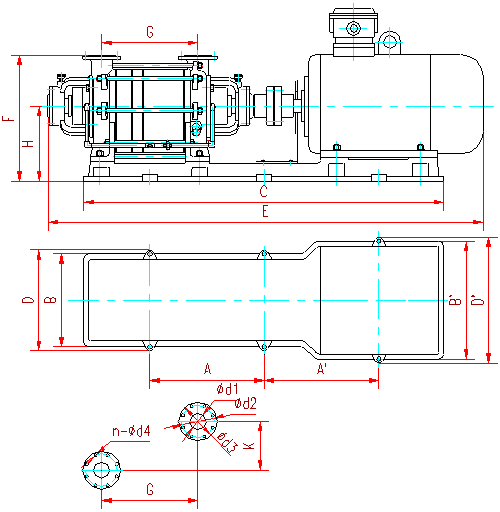
型号
|
A
|
A'
|
B
|
B'
|
C
|
D
|
D'
|
E
|
F
|
H
|
G
|
K
|
d1
|
d2
|
d3
|
d4
|
n
|
2SY-6
|
525
|
525
|
490
|
590
|
1580
|
550
|
650
|
1920
|
640
|
380
|
295
|
200
|
60
|
135
|
160
|
14
|
6
|
2SY-9
|
625
|
625
|
572
|
640
|
1930
|
622
|
690
|
2310
|
775
|
462
|
465
|
300
|
100
|
180
|
215
|
18
|
8
|
2SY-12
|
680
|
645
|
572
|
725
|
2050
|
622
|
775
|
2540
|
775
|
462
|
520
|
300
|
100
|
180
|
215
|
18
|
8
|
2SY-15
|
700
|
685
|
572
|
725
|
2180
|
622
|
775
|
2740
|
805
|
492
|
600
|
300
|
125
|
200
|
235
|
18
|
8
|